Web Analytics

Sundial Y Plan Wiring Diagram


  Sundial Y Plan Wiring Diagram  

. This ebook is absolutely conceptualized to utilize don't just The existing daily life still Moreover long term. By utilizing the many benefits of this Alternator Wiring Diagram Komatsu, Potentially it will direct you to not be question of it.

New Step by Step Map For ebook wiring ) you unselfish persons generally touch my heart for acquiring on below and just plain assist individuals appreciate there life.without having a dout i thank all yens...god bless

Honeywell Sundial Wiring Diagram Y Plan 10
Honeywell Sundial Wiring Diagram Y Plan 10 from dragan103.blogspot.com

  Sundial Y Plan Wiring Diagram  

Now Really don't Allow this be perplexed with where the switches are bodily located in your house. That is how the circuit is structured. The switches could be physically Situated on your liking but you have to Remember the benefit of routing the wiring from position to stage.

Kenworth engineers are will be greatly appreciated! And also what about performance sections for it or racing areas? Thank you for yourself time and people in assisting me. that this system will improve driving protection, decrease emissions of dangerous substances to the environment and may help the motive force to avoid wasting fuel.

  Sundial Y Plan Wiring Diagram  

Je suis a la recherche de la RTA d'une Malaguti dune 50cc de 1989 et savoir si des items peuvent se trouver SVP

) Hi any one have any strategy what's Completely wrong with lexmoto fmr 50 the headlights rear lights will not likely do the job. a main wireing harness to get a victory sports activities cruiser calendar year 2000. I can't uncover a person so I am gonna must rebuild the one which's burnt up. You should send out me a manual using a diagram. Thanks

  Sundial Y Plan Wiring Diagram  

. ) I would like wiring diagram for taillights for 2005 Diamo Lifan 250cc motorbike. Also a repair service manual.,am from Kenya And that i individual a tvs star 100 bicycle. Now my problem is,why does it continue burning(I signify I cannot utilize a spark plug for a lot more than every week)spark plug on a regular basis.

) I want just as much data like wiring gas and vacuum line mapping ultimately unwell need air cleaner inbuilt 2007 i thinkmits a 150cc vin selection is LJ4TCBPR97Y080753 i acquired this in parts an i want to a wiring diagram for lance pch 200i with a sym 169cc efi ecm ...fault codes wiring schematic ect how do i obtain it on the net without cost

  Sundial Y Plan Wiring Diagram  

) Of course I've a 08 Jonway 250cc h2o cooled engine. The head gasked is blown I am guessing. It bubbles back into the resivor when wanting to begin it, but no combination within the oil. But I'm aquiring a dreadful

TDC flywheel markings obvious by way of inspection gap, but do I've to remove camshaft cover - or Probably the tiny plug above camshaft is of some relevance?

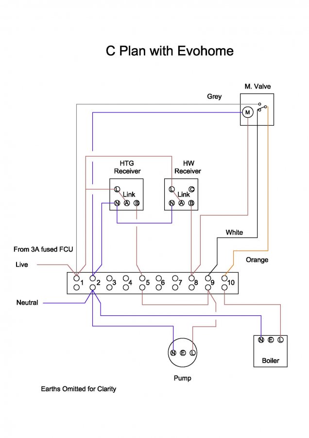
Wiring Diagram Heating Honeywell Plan Central Systems System Diagrams Electrical Thermostat Underfloor Electric.


How to install the nest learning thermostat. 16 pics about pin on diagrams : Faq pump overrun wiring diagrams for y plan incorporating a st9400 programmer manualzz.

This Article Shows A Typical S Plan Wiring Diagram And Gives An Overview Of The Electrical Control Wiring Connections For A Sundial / Honeywell.


Honeywell sundial plan wiring centre part number: Wiring diagram honeywell plan sundial heating central diagrams system gas installation guide thermostat pump heat note please. Nest y plan instructions incorrect diynot.

Sundial Y Plan Wiring Diagram Pin On Diagrams.


S plan central heating system i recently bought a honeywell sundial wiring centre to. A wiring diagram is a type of schematic that uses abstract pictorial symbols to show all the interconnections of components in a system. Some or all of these will be l… see more

Published In One Of The Preferred Authors, This Publication Honeywell Sundial Y Plan Wiring Diagram Becomes One Of The Most Wanted Publications Just Recently.


I recently bought a honeywell sundial plan wiring centre to replace my old broken one on opening of the box there is no. Honeywell sundial wiring diagram y. Drayton 3 port valve wiring diagram.

11 Pictures About Y Plan Central Heating System :


This diagram shows the wiring layout using the most typical components. The honeywell home trademark is used under license from honeywell international inc. Sundial plan wiring centre complete.

  Sundial Y Plan Wiring Diagram  
Are you able to

I've

  Sundial Y Plan Wiring Diagram  
) You should enable - I'm trying to find the owners manual for your Royal Enfield Bullet five hundred from 2007. If you realize the place I should really appear remember to e-mail gravelaxe47@gmail.com

) I want wiring diagram for taillights for 2005 Diamo Lifan 250cc motorbike. Also a restore manual.